高级检索

液压缸精准推移试验系统设计研究

Design and research of hydraulic cylinder precise control test system

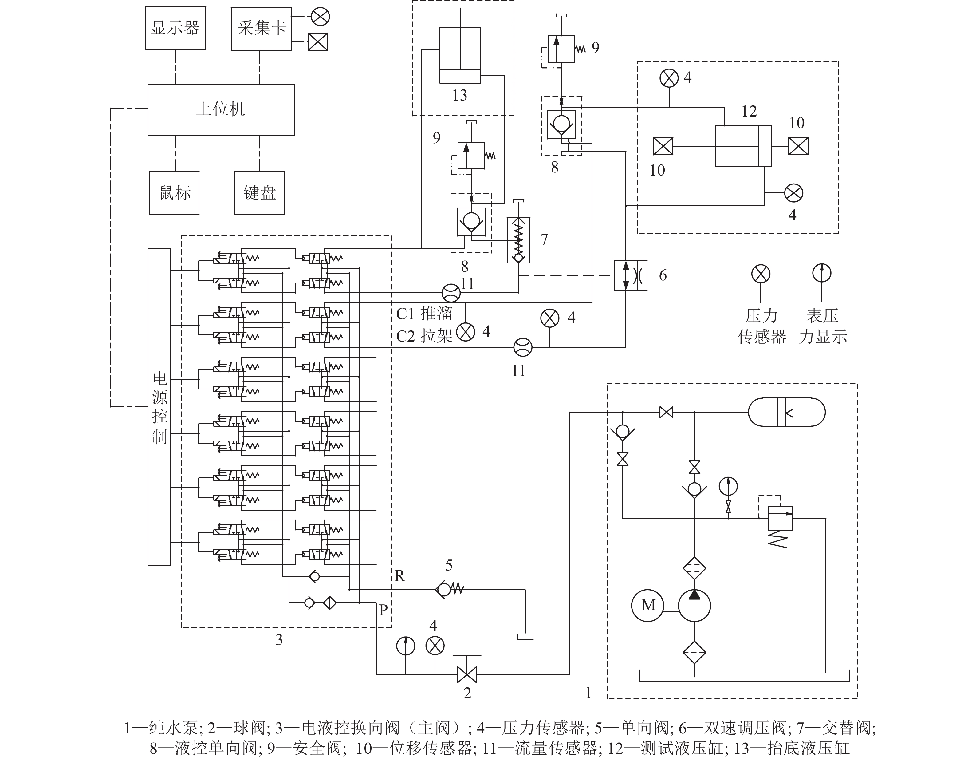
  • 摘要: 综采工作面液压支架连续动作后产生位置偏移,影响采煤机截割效率。针对上述问题,在对综采工作面液压系统进行机理分析的基础上,建立了系统压力、流量与液压缸位移之间的耦合关系,设计并搭建了一种以乳化液/纯水为传动介质的液压缸精准推移试验平台,可以完成液压缸偏载、侧向加载等试验。该试验平台由液压测试系统、油压调节系统、电气控制系统、数据采集系统、上位机软件、加载试验台架等组成,其中油压调节机构调整液压缸工作姿态,数据采集系统实时监测测试液压缸压力、流量、位移、温度等数据,加载试验台架将液压支架、刮板输送机及采煤机等效为质量可调的重物。试验台采集频率2 000 Hz,公称压力31.5 MPa,公称流量400 L/min,测试液压缸缸径100~240 mm、行程400~1 800 mm,工作阻力不低于100 kN,可满足不同工作状态下推移液压缸动作机理研究。经测试,系统流量为126 L/min时,推移液压缸位移控制误差接近20%;系统流量为50 L/min时,推移液压缸位移控制误差稳定在7%以内。试验结果表明液压缸伸、收瞬态动作在工作过程中可以忽略,位移控制误差主要由阀类控制部件响应延迟导致,且随着系统流量的增加,控制误差呈线性关系增加,验证了双速调压阀大流量快速动作,小流量精准调节控制方案的可行性。液压缸精准推移试验系统适用于液压缸精确控制及液压缸集群协同控制研究,为实现高压大流量综采工作面液压支架精准控制提供试验手段。

     

    Abstract: The position deviation after the continuous action of the hydraulic support in the fully-mechanized mining face affects the mining efficiency of the shearer. In view of the above problems, the mechanism of the hydraulic system of the fully-mechanized mining face is analyzed, the coupling relationship between the system pressure, flow and the displacement of the hydraulic cylinder is established, and a hydraulic cylinder precise displacement test platform with emulsion/pure water as the transmission medium is designed and built, which can carry out eccentric load and lateral load experiments of the test hydraulic cylinder. The test platform is composed of hydraulic test system, oil pressure regulation system, electrical control system, data acquisition system, upper computer software system, loading test bench, etc. The oil pressure regulation mechanism adjusts the working attitude of the hydraulic cylinder, the data acquisition system monitors and tests the pressure, flow, displacement, temperature and other data of the hydraulic cylinder in real time, and the loading test bench equates the hydraulic support, scraper conveyor and shearer as adjustable weight. Data acquisition frequency of the hydraulic cylinder precise control test system is 2 000 Hz, the nominal pressure is 31.5 MPa, the nominal flow is 400 L / min, the test hydraulic cylinder has a cylinder diameter of 100-240 mm, a stroke of 400-1 800 mm, and the working resistance is larger than 100 kN, which can achieve the working mechanism of the hydraulic cylinder under variable working conditions. When the system flow is 126 L/min, the displacement control error of the tested hydraulic cylinder is close to 20%; when the system flow is 50 L/min, the displacement control error of the tested hydraulic cylinder is stable within 7%. The experimental results show that the transient action of hydraulic cylinder extension and retraction can be ignored in the working process, and the displacement control error is mainly caused by the response delay of valve control components, and the control error increases linearly with the increase of system flow, which verifies the feasibility of the high flow rapid action and small flow precise regulation control scheme of the two speed pressure regulating valve. The hydraulic cylinder precise control test system is applicable to the research on the precise control of hydraulic cylinder and the coordinated control of hydraulic cylinder cluster, and provides an experimental method for realizing the precise control of hydraulic support in high-pressure and large flow fully-mechanized mining face.

     

/

返回文章
返回