高级检索

煤矿局部通风机风量智能控制系统研究及应用

Research on local ventilation constant air volumeintelligent switching technology and its application

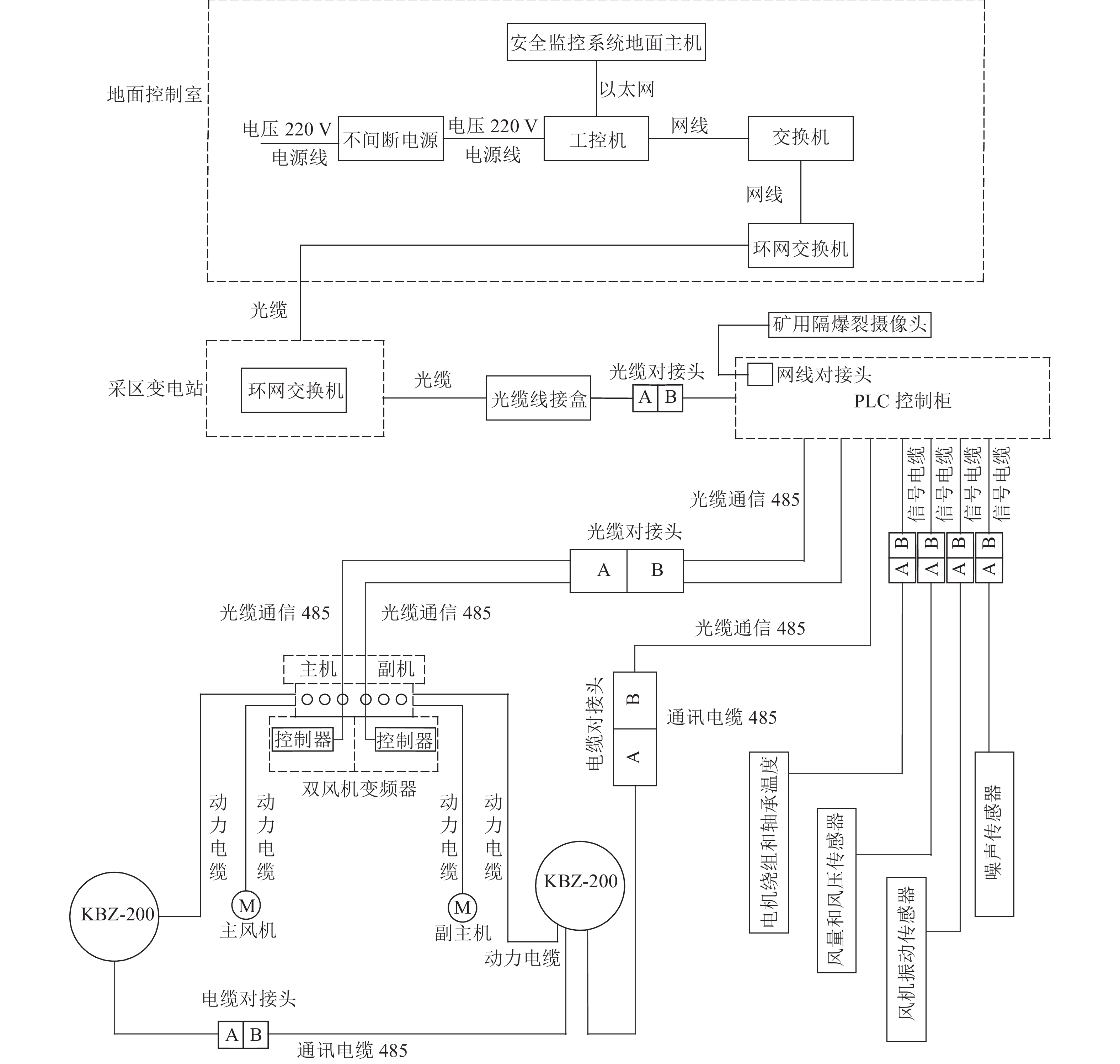
  • 摘要: 矿用局部通风机切换过程中容易出现短暂的停风,从而引起瓦斯浓度超限的安全生产问题。为了避免通风机切换引起风量暂停现象的发生,根据恒定风量切换原理,研究了局部通风机恒定风量智能切换控制系统,利用恒定风量反馈模糊调节控制原理,开发了新型矿用局部通风机智能远程控制系统和ZFJ1140型局部通风机智能监控装置,实现了通风机切换过程中风量恒定和通风机运行参数的远程、实时地监控。在通风机风筒上进气处、测进气处、集流器进气通道和出气通道4个地方开展了空气动力性能测试表明,通风机的空气动力性能较好,通风机全压效率在82.5%~85.0%内波动。在陕煤黄陵矿业集团一号煤矿1010辅运巷道应用表明,ZFJ1140型局部通风机在风量切换期间巷道风量变化控制在8.89%以内。与传统局部通风机切换方式相比,智能局部通风机的恒定风量切换功能有力保证了风量切换过程的巷道瓦斯浓度维持在安全范围。

     

    Abstract: In the of local fan for mine fan switch, it’s easy to have a short stop wind that cause the safe production of gas concentration transfinite problem. In order to avoid the phenomenon of air volume suspension caused by fan switching, according to the principle of constant air volume switching, the intelligent switching control system of local fan with constant air volume is studied. By using the principle of constant air volume feedback fuzzy regulation control, a new intelligent remote control system of mine local fan and an intelligent monitoring device of ZFJ1140 local fan are developed. It realizes the remote and real-time monitoring of constant air volume and fan running parameters in the process of fan switching. The aerodynamic performance test was carried out in four places: the air inlet, the air inlet, the air inlet and the air outlet of the collector. The results show that the aerodynamic performance of the fan is good, and the total pressure efficiency of the fan fluctuates in the range of 82.5%-85%. The application of ZFJ1140 local fan in 1010 auxiliary roadway of No.1 Coal mine of Shaanxi Coal Huangling Mining Group shows that the variation of roadway air volume is controlled within 8.89% during the air volume switching period. Compared with the traditional local fan switching mode, the constant air volume switching function of the intelligent local fan effectively ensures that the gas concentration in the roadway is maintained in a safe range during the air volume switching process.

     

/

返回文章
返回