高级检索

矿井救援绞车功能实现及仿真模型探讨

Discussion on function realization and simulation model of mine rescue winch

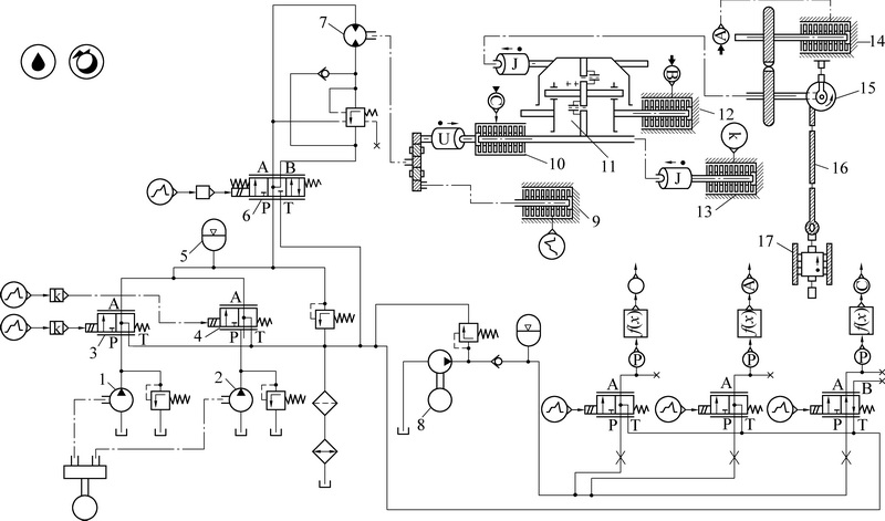
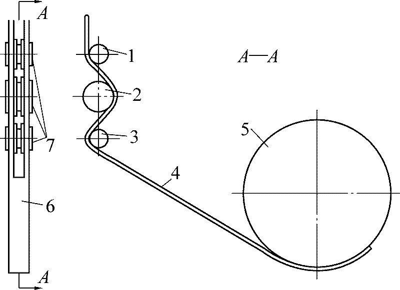
  • 摘要: 为了保障在矿井安全事故救援过程中,及时安全快速地将困于井下的人员及设备输送至地面,提出了救援绞车应具备平稳运行、实时监测运行状况和易于控制的附属功能,因此探讨了救援绞车的功能实现方式,通过设置自动排绳机构、压绳机构实现绞车排绳稳定;设置自动称重元件、自动计深元件,实现绞车实时称重计深的功能;设置液压元件实现绞车良好的提升性能和平稳的运行控制。应用AMESim软件建立救援绞车的液压-机械联合仿真模型,模拟救援绞车液压操控的动作逻辑关系。探讨了救援绞车的功能,发掘了其实现的可行性,通过仿真模型表达绞车动力系统,可为救援绞车的设计和系统分析提供参考。

     

    Abstract: In order to transport the trapped people or equipment to the ground timely and safely in mine safety accident rescue process,it was proposed that the rescue winch should have the additional functions of stable operation,real-time monitoring and easy control.This paper mainly discussed the way to realize the function of rescue winch.By setting up automatic rope-arranging mechanism and rope-pressing mechanism,the winch rope-arranging stability could be realized.By setting up automatic weighing element and automatic depth-measuring element,the winch weighing and depth-measuring functions could be monitored in real time.By setting up hydraulic system,the winch could achieve good lifting performance and stable operation control.The hydraulic-mechanical joint simulation model of rescue winch was established by using AMESim software to simulate the action logic of hydraulic control of rescue winch. The function of rescue winch was discussed,and the feasibility of implementation was explored.The simulation model could show the power system of the winch and provided a reference for the design and system analysis of the rescue winch.

     

/

返回文章
返回