高级检索

岩浆侵入对煤结构的影响评述

Review on impacts of igneous intrusion in coal measures on coal texture

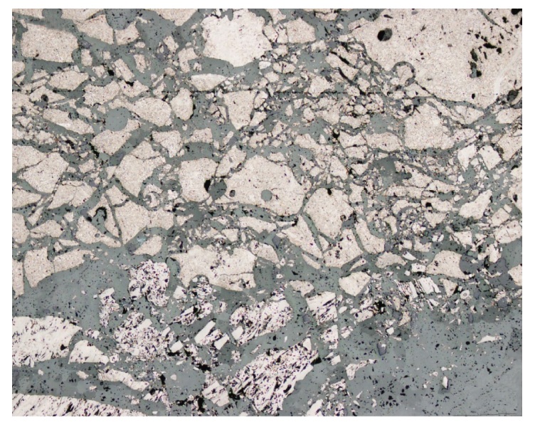
  • 摘要: 岩浆侵入煤系地层导致煤发生接触变质作用,形成天然焦,降低煤经济价值,增加自燃和瓦斯突出风险,改变煤层气赋存条件,还被认为是地史时期全球气候变化和生物绝灭的重要触发因素。为揭示岩浆侵入过程煤结构的变化规律,文章从煤层宏观结构构造到微观显微组分,从原始沉积结构的变化到新形成的特征结构,全面系统论述了岩浆侵入对煤结构的影响。岩浆高温、侵位压力、热液流体等因素导致煤层结构构造和煤显微组分发生显著改变,发育微孔裂隙、脱挥发孔或囊状结构、各向同性焦、各向异性焦、热解碳、石墨球粒和焦化沥青质等。受岩浆侵入影响煤层煤结构的变化规律是确定接触变质晕范围和气体赋存条件的科学基础,在热变质煤资源的安全开采和综合利用方面亦具重要现实意义。

     

    Abstract: The igneous intrusion in coal measures resulted in a contact metamorphism of coal to form a natural coke or a thermally altered coal.Coal metamorphism by igneous intrusion reduces the value of coal, increases the risk of spontaneous combustion and gas outburst, worsens the trapping condition of coalbed methane, and is also considered as one cause forthe global climate change and mass extinction in certain geological history. To reveal the evolution of coal texture duringigneous intrusions, the impacts of igneous intrusion in coal measures on coal texture were systematically elucidatedfrom a macroscopic coalbed texture to the microscopic coal macerals and from the original sedimentary textures to the metamorphic features in this paper.Due to the high temperature, increased static pressure, and hydrothermal fluids during igneous intrusion, the texture and structure of coalbed and coal macerals werethermally altered. Moreover, the neo-formed textures, including fractures, devolatilization cavities and vacuoles, isotropy, anisotropy, pyrolytic carbons, graphitic spherulites, and coked bitumen, were developed.The evolution of coal texture caused by an igneous intrusion provides the scientific information about the aureole of contact metamorphism and the occurrence conditions of coalbed methane, and is of practical significance forthe safe and comprehensiveutilization of thermallyaltered coals.

     

/

返回文章
返回