高级检索

不同倾角巷道下掘进机的防滑控制研究

Study on anti-skid control of roadheaders on roadwaysfloors with varied dip angles

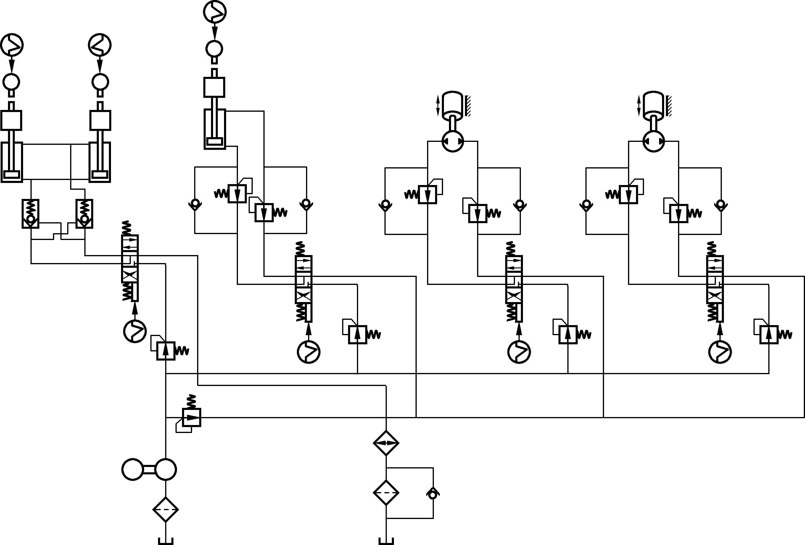
  • 摘要: 为研究悬臂式掘进机在复杂底板行走时防滑控制的可靠性,基于综掘工作面巷道底板特性分析,得到不同情况下掘进机履带打滑率与牵引力的计算函数。掘进机牵引力因打滑率的增加而迅速减小,从而严重影响掘进机正常掘进,求取不同路况下的掘进机履带期望打滑率计算方法,并通过分析掘进机掘进阻力,建立了倾斜巷道中掘进机掘进动力学模型,提出了基于BP神经网络的PID掘进机履带防滑控制方法。通过Simulink与AMESim建立系统仿真模型与液压模型,基于Matlab得到控制算法,并模拟3种典型底板防滑控制情况。仿真结果表明,BP神经网络PID防滑控制系统具有较高的控制精度、响应速度与环境适应能力,保证掘进机在不同路况下的正常掘进。

     

    Abstract: In order to study the reliability of anti-skid control of cantilever roadheader when developing on complex floors, based on the analysis of the characteristics of roadway floor in fully mechanized face, the calculation functions of track slip and traction force of the roadheader under different conditions were obtained.The traction force of the roadheader decreases rapidly with the increase of the slippage, which seriously affects the normal excavation of the roadheader.The calculation method of the expected slippage rate of the roadheader under different road conditions was obtained.By analyzing the excavation resistance of the roadheader, the dynamic model of the roadheader in inclined roadway was established, and the anti-slip control method of the track of the PID roadheader based on BP neural network model was put forward.The system simulation model and hydraulic model were established by Simulink and AMESim.The control algorithm was obtained based on matlab, and three typical anti-skid control situations of floor were simulated.The simulation results show that the BP neural network PID anti-skid control system has excellent control accuracy, response speed and environmental adaptability, and this can ensure the normal tunneling of roadheaders under different road conditions.

     

/

返回文章
返回