高级检索

煤层底板复合岩层微观缝隙结构复杂程度定量辨识

Quantitative identification of complexity of microscopic fracture structure of coal seam floor composite rock layer

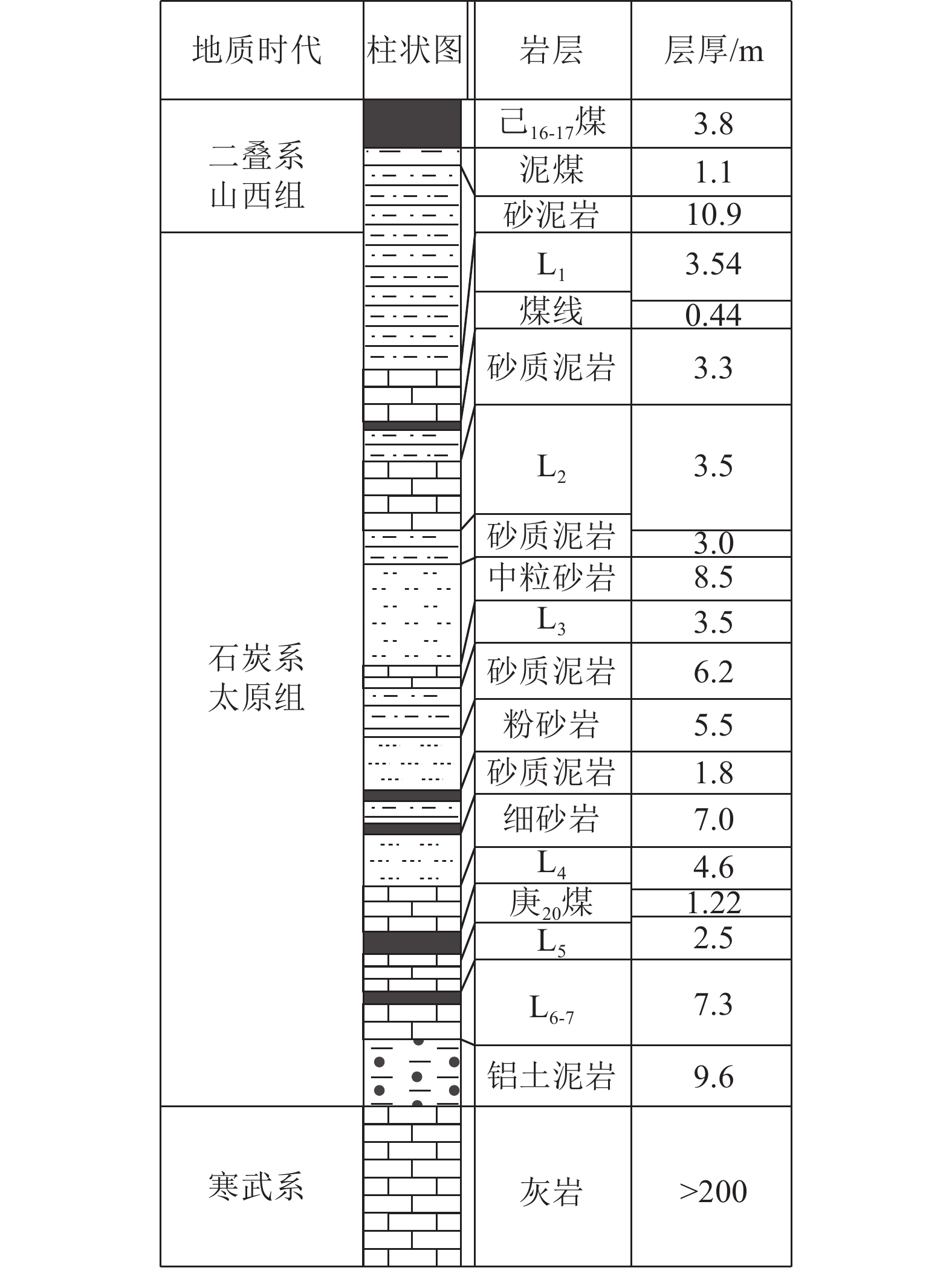
  • 摘要: 采动条件下煤层底板复合岩层微观缝隙结构影响着下伏高水压含水层地下水的导升和渗流,其复杂程度对于煤层底板水害预测预警具有重要意义。以平顶山煤田东部3个相邻矿井提取的57组岩样为对象,基于SEM图像采集和N2吸附试验的综合信息,选取岩层面积缝隙率、等效缝隙直径、缝隙面积分维值、比表面积、缝隙体积及其分维值为主控因子,利用熵权-TOPSIS数学模型定量评价了己16-17煤层至寒武灰岩顶界面之间复合岩层微观缝隙结构的复杂程度。结果表明:己16~17煤层底板复合岩层微观缝隙结构极简单、简单、中等、复杂、极复杂等级占比分别为25.00%、21.43%、39.29%、7.14%、7.14%,研究地段复合岩层的微观缝隙结构相对不复杂;4个岩段相比,岩层微观缝隙结构复杂程度量化均值排序为L1~L2灰岩段>L5~L7灰岩段>砂岩段>铝土质泥岩段,岩层微观缝隙结构复杂程度较好地反映了岩层缝隙发育程度。研究考虑了多因素对复合岩层的耦合影响,实现了复合岩层垂直段微观缝隙结构的定量分级分区判别,对精准刻画煤层底板复合岩层的含隔水层性能和科学指导煤层底板水害防治具有重要的意义。

     

    Abstract: Under mining conditions, the micro crack structure of the composite strata of the coal seam floor affects the uplift and seepage of the groundwater in the underlying high water pressure aquifer, and its complexity is of great significance for the prediction and early warning of the water disaster in the coal seam floor. In this paper, a total of 57 groups of rock samples extracted from three adjacent mines in the east of Pingdingshan Coalfield are taken as the object. Based on the comprehensive information of SEM image acquisition and N2 adsorption test, the fissure ratio of rock stratum area, equivalent crack diameter of rock stratum, fractal dimension value of fissure area, specific surface area, crevice volume and its fractal dimension are the main controlling factors. Using entropy weighted TOPSIS mathematical model, the complexity of the micro fracture structure of the composite rock stratum between the Ji16-17 coal seam and the Cambrian limestone top interface is quantitatively evaluated. The results show that the micro crack structure of the composite strata in the floor of the Ji16-17 coal seam is very simple, simple, medium, complex and extremely complex, accounting for 25.00%, 21.43%, 39.29%, 7.14% and 7.14% respectively. The micro crack structure of the composite strata in the study section is relatively uncomplicated; Compared with the four rock sections, the order of the quantitative mean value of the complexity of the rock stratum micro fracture structure is: L1−L2 limestone section>L5−L7 limestone section>sandstone section>bauxite mudstone section. The complexity of the rock stratum micro fracture structure better reflects the development of the rock stratum fracture. The paper considers the coupling effect of multiple factors on the composite rock stratum, realizes the quantitative classification and zoning discrimination of the micro crack structure in the vertical section of the composite rock stratum, which is of great significance for accurately describing the aquifer performance of the composite rock stratum in the coal seam floor and scientifically guiding the prevention and control of the water hazard in the coal seam floor.

     

/

返回文章
返回