Abstract:
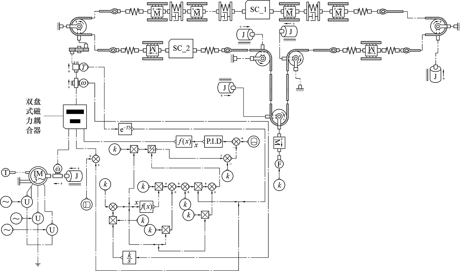
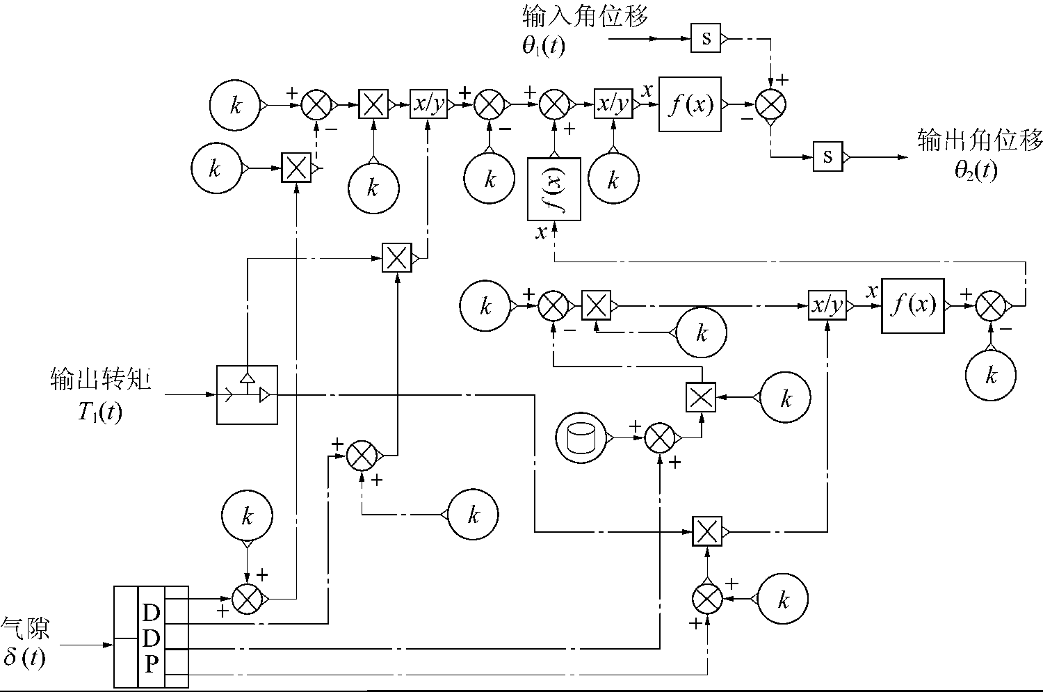
In view of the problems such as slippage, silt belt and broken belt in the starting process of mining belt conveyor, based on the permanent magnet eddy current drive technology, the double disc magnetic coupler is used as the driving device of belt conveyor to establish the dynamic mathematical model of double discmagnetic coupler.Using AMEsim software to build a belt conveyor system simulation model and setting the starting time of 60 s, 80 s and 100 s respectively. When using the Harrison control curve to start, the velocity and tension characteristics of head and tail conveyor belts,displacement characteristics of tensioner and air gap characteristics of double disc magnetic coupler are studied during full load start of belt conveyor.The simulation results show that when the starting time is 60 seconds, the belt speed fluctuates greatly and the dynamic tension is obvious.The maximum tension of the tail belt reaches 29 kN, and the starting process is not stable.When the double disc magnetic coupler is adjusted, the air gap change is opposite to that of the belt conveyor starting speed, and the air gap decreases from 22 mm to 4 mm in the starting process. When starting time is 80 s and 100 s, the belt conveyor starts relatively smoothly, the fluctuation of speed and tension device displacement is small, and the fluctuationof tail belt tension is 5 kN and 3 kN respectively.The best time exists in the starting process of belt conveyor, continuing to extend the time to trigger the impact characteristics of the smaller belt conveyor, and the 80 s can be used as reasonable starting time.