高级检索

深埋巷道拉裂-剪切式片帮力学机理及支护技术

Mechanical mechanism and support technology of deep-buried roadwaytensile-shear failure of rib spalling

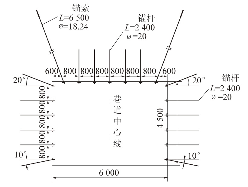
  • 摘要: 针对深埋巷道开挖后煤帮发生的拉裂-剪切式片帮,根据摩尔-库伦准则和片帮体极限平衡方程,建立了深埋巷道片帮体在支承压力、自重应力、后缘拉力及剪切面上滑移力共同作用下的受力模型,并基于片帮体的极限平衡条件推导了片帮体的前缘高度、后缘拉裂深度及水平坍塌宽度等关键参数的理论计算公式,讨论了帮部岩体的黏聚力、内摩擦角、抗拉强度和水平坍塌宽度对片帮体后缘拉裂深度的影响。结果表明:巷道帮部发生拉裂-剪切式片帮时的后缘拉裂深度与帮部煤体的黏聚力和内摩擦角呈正相关关系,与巷道帮部煤体的抗拉强度和片帮体的水平坍塌宽度呈负相关关系;当巷道帮部煤体黏聚力、内摩擦角及抗拉强度达到一定量值时,煤帮的拉裂-剪切式片帮将发展为单斜面剪切片帮。在确定片帮体破坏参数的基础上,提出了针对片帮区域煤体的锚杆和锚索联合支护方法。当锚杆最佳安装角控制在为30°~90°时,可以与锚索形成有效兜护结构,优化后的支护方式可以有效防止煤帮发生拉裂-剪切式破坏。最后,以某矿401工作面运输巷130~225 m段为工程实例,运用上述成果从理论上分析了片帮煤体的前缘高度、水平坍塌宽度及后缘拉裂高度等关键参数,并优化了该段巷道帮部的初期锚杆支护方案,取得了良好的支护效果。

     

    Abstract: In view of the phenomenon of rib spalling in tensile-shear form in the initial stage of deep-buried roadway excavation, and according to Mohr-Coulomb yield criterion and the limit equilibrium equation of coal body in rib spalling, the mechanical model of rib spalling body under the interaction of the abutment pressure, the self-weight stress, the tensile stress at the back edge and the slip force on the shear plane were established. On the basis of the ultimate equilibrium condition of rib spalling body, the theory of key parameters such as the front edge height, tensile fracture depth at the trailing edge, and horizontal collapse width of the rib spalling mass were derived. The effects of cohesion, internal friction angle, tensile strength and horizontal collapse width of the rock mass on the depth of the trailing edge of the rib were discussed. The results show that there are positive correlation between trailing edge cracking depth and cohesion or internal friction angle of coal and negative correlation between tensile strength of the coal and trailing edge cracking depth when the tensile-shear failure of rib spalling happens. The tensile-shear failure of rib spalling will develop into a single-inclined rib spalling when the cohesion, internal friction angle and tensile strength of the roadway side wall reach a certain value. Based on the determination of the failure parameters of the rib spalling mass, a combined support method of bolts and cables for the coal body in the slab area was proposed. When the optimal installation angle of the anchor rod is controlled between 30° and 90°, it can form an effective support structure with the anchor cable, and the optimized support method can effectively prevent the roadway side wall from the tensile-shear failure of rib spalling. Finally,taking the 130-225 m section of the 401 working face transportation roadway of Tingnan Coal Mine as an engineering example, the key parameters such as the front edge height, horizontal collapse width and trailing edge crack height of the rib spalling mass were analyzed theoretically. Furthermore, the initial bolt support scheme and its parameters of this section of the roadway rib were optimized, and a good support effect was achieved.

     

/

返回文章
返回